Подшипник роликовый NJ 2320 ECM SKF
| Вес | 1.00кг |
Доставка и самовывоз
Гарантия качества
Вся продукция сертифицирована и соответствует требованиям технических регламентов.
- Гарантия подлинности от производителя
- Паспорт качества на каждый товар
- Возврат и обмен в течение 14 дней
- Техническая консультация специалиста
Описание товара
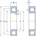
Однорядный радиальный роликовый подшипник NJ 2320 ECM SKF с короткими цилиндрическими роликами предназначен для работы с радиальными нагрузками. Конструкция подшипника разъемная и оптимизирована внутри. Увеличено количество роликов или их размер, что улучшает контакт торцов роликов с бортами внутреннего кольца. В состав входят наружное кольцо с двумя направляющими бортами, внутреннее кольцо с одним направляющим бортом, цилиндрические ролики и механически обработанный латунный сепаратор, центрируемый по роликам. Материал сепаратора устойчив к большинству подшипковых смазок, включая синтетические масла и пластичные смазки, допускается очистка органическими растворителями. Рабочий температурный диапазон от -40 °C до +150 °C. Подшипник рассчитан на восприятие радиальной нагрузки и способен компенсировать осевое смещение вала относительно корпуса в одном направлении.
Область применения подшипника: NJ 2320 ECM SKF
- Общее машиностроение: поддержка барабана конвейера, вал мощного центробежного насоса.
Рекомендации
- При монтаже необходимо соблюдать требования по натягу и правильному выбору смазочных материалов.
- Срок службы при номинальной нагрузке соответствует данным производителя.
Возможные аналоги подшипника NJ 2320 ECM SKF
- Аналог от FAG: NJ2320-E-M1
Доставка
компаниями
выдачи
курьером
— Доверенность;
— Паспорт получателя.
Стоимость доставки рассчитывается по тарифам транспортной компании. Отправка осуществляется в течение 1-2 рабочих дней после оплаты.
Вы можете получить заказ в ближайшем пункте выдачи СДЭК или ПЭК. При оформлении заказа укажите удобный ПВЗ — мы отправим товар в выбранный пункт.
Сроки: от 2 рабочих дней (зависит от региона).
Стоимость: по тарифу транспортной компании.
Вы можете забрать заказ самостоятельно с нашего склада в Москве.
Срок: в день заказа (при наличии на складе) или на следующий рабочий день.
Стоимость: бесплатно.
Адрес склада: уточняйте у менеджера при оформлении заказа.
При получении необходим паспорт или доверенность (для юрлиц).
Доставка курьером до двери по Москве и Московской области.
Сроки: от 1 рабочего дня.
Стоимость: рассчитывается индивидуально в зависимости от веса и габаритов.
Для крупногабаритных заказов рекомендуем доставку транспортной компанией.
Оплата
Безналичная оплата на расчётный счёт
100% предоплата по выставленному счёту. Оплата с расчётного счёта организации (с НДС и без НДС).
- Выставляем счёт в течение 15 минут
- Полный пакет документов: счёт, договор, УПД, счёт-фактура, ТТН
- Отсрочка платежа для постоянных клиентов
- Работаем с тендерами и госзакупками
Банковская карта
Оплата онлайн на сайте банковской картой Visa, MasterCard или МИР.
СБП (Система Быстрых Платежей)
Оплата по QR-коду через мобильное приложение вашего банка. Мгновенное зачисление.
Наличные
Оплата наличными при самовывозе со склада.
Применяемость
Подшипник роликовый NJ 2320 ECM SKF применяется в следующих областях:
- Промышленные приводы и конвейерные системы
- Металлообрабатывающие и деревообрабатывающие станки
- Упаковочное и полиграфическое оборудование
- Пищевое и фармацевтическое производство
- Текстильная промышленность
- Сельскохозяйственная техника
Для подбора аналога или уточнения совместимости с вашим оборудованием — свяжитесь с нашим инженером по телефону +7 (495) 385-87-76.
Гарантия качества
Компания Bucefalo-Remen является официальным дистрибьютором ведущих мировых производителей приводных ремней и подшипников.
- 100% оригинальная продукция — мы работаем напрямую с производителями и авторизованными поставщиками
- Сертификаты и паспорта качества — предоставляем по запросу на каждую партию товара
- Гарантия на продукцию — в соответствии с условиями производителя
- Возврат и обмен — в течение 14 дней при сохранении товарного вида
- Техническая поддержка — наши инженеры помогут с подбором и заменой
Продукция соответствует требованиям технических регламентов Таможенного союза и имеет необходимые разрешительные документы.
Вопрос-Ответ
Вопросов пока нет. Задайте первый вопрос!


